www.hnynp.com
在线投诉
微信公众号
官方微博
English
热词:
污染投诉
环保督察
环境与发展论坛
首页
18luck新利苹果
新利18平台
内设机构
相关机构
党风廉政
专题专栏
18luck新利苹果
18luck官网app是经国务院批准、民政部注册,生态环境部为行业管理部门,由热心环保事业的人士、企业、事业单位自愿结成的、非营利性的、全国性的社团组织。18luck官网app的宗旨是围绕实施可持续发展战略,围绕实现国家环境与发展的目标,围绕维护公众和社会环境权益,充分体现“大中华、大环境、大联合”的组织优势...
18luck新利苹果
终身荣誉主席:宋健
主席:王秀峰
副主席:张永红 谢玉红 夏 光 郭纹铭 李瑞农 柴发合 柏伦章 涂瑞和 贺克斌 张建新 王 颖 刘方毅 胡智荣 张钢柱 李 霓 别 涛 朱广庆 洪 平 王黎红 吴建荣
luck官网下载安卓
秘书长:谢玉红(兼)
副秘书长:郑庆宝 李瑞东 王统海
总经济师:洪家增
联系方式
地址:
北京市朝阳区和平里14区青年沟东路华表大厦6层
邮编:
100013
电话(总机):
010-51266665
18luck新利苹果
办公室
媒体宣传部
会员部
国际合作部
环境法律事业部
环境公益部
论坛展览部
环境技术推广与应用事业部
碳中和研究与促进事业部
战略合作部
企业财税运筹部
长三角绿色发展促进办公室
中环联(北京)环境保护有限公司
中环联环境产业(北京)有限公司
分支机构
代表机构
其他机构
18luck官网app绿色贸易促进工作委员会
18luck官网app危险废物回收利用专业委员会
18luck官网app恶臭异味污染防治专业委员会
18luck官网app固危废及土壤污染治理专业委员会
18luck官网app碳资产与绿色转型专业委员会
18luck官网app环境与法制专业委员会
18luck官网app环境与健康专业委员会
18luck官网app绿色技术发展专业委员会
18luck官网app生态文明传播工作委员会
18luck官网app碳普惠专业委员会
18luck官网app废弃物发电专委会
18luck官网app能源环境专业委员会
18luck官网appESG专业委员会
18luck官网app核能核技术与生态环境保护专业委员会
18luck官网app生态文化与艺术工作委员会
18luck官网app乡村振兴专业委员会
18luck官网app农业生态环保专业委员会
18luck官网app“一带一路”生态产业合作工作委员会
18luck官网app绿色供应链专业委员会
18luck官网app冶金环境评估与碳资产管理工作委员会
18luck官网app石油石化环保专家委员会
18luck官网app水环境治理专业委员会
18luck官网app工业园区专业委员会
18luck官网app室内环保专业委员会
18luck官网appVOCs污染防治专业委员会
18luck官网app可降解塑料专业委员会
18luck官网app环保志愿者工作委员会
18luck官网app青少年环境友好行动委员会
18luck官网app绿色金融专业委员会
福建省办事处
山东省办事处
山西省办事处
云南省办事处
河南省办事处
海南省办事处
江苏省办事处
内蒙古办事处
辽宁省办事处
安徽省办事处
华东办事处
西南办事处
华南办事处
党的工作
党的建设
群团工作
党的建设...
2019-07-11
群团工作...
2019-04-03
廉政建设
党的纪律
纪检工作
廉政文化
党的纪律
2016-10-25
纪检工作...
2018-04-28
廉政文化
2015-09-06
当前位置
>
首页
>
环境技术推广与应用事业部
>
部门动态
正文
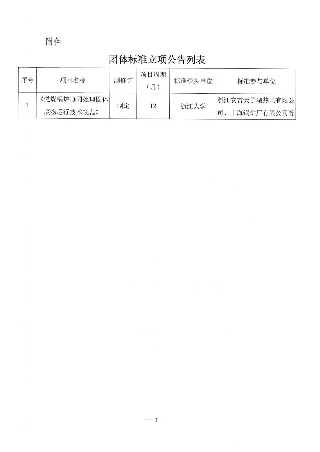
关于《燃煤锅炉协同处理固体废物运行技术规范》团体标准立项的公告
时间 : 2025-07-25 来源 : 未知 作者 : gyy 点击 : 次
相关链接
2025-07-25
关于《重金属污染土壤异位旋流淋洗
2025-07-25
关于《燃煤锅炉协同处理固体废物运
2025-07-17
关于《城镇污水管网及附属设施智慧
2025-07-16
关于《环境大气半中等挥发性有机物
2025-07-14
关于开展 2025年度18luck官网app科
热点新闻
关于公示2024年度科学技术奖评审
关于开展 2023年度18luck官网app
关于开展 2020 年度18luck官网app
关于开展 2025年度18luck官网app
关于公示2020年度科学技术奖评审
关于开展 2021年度18luck官网app
关于开展 2024年度18luck官网app
18luck官网app关于公示2023年度
关于发布《18luck官网app科学技
关于开展 2022年度18luck官网app
18luck官网app科技成果评价
关于公示2022年度科学技术奖评审
关于公布2020年度18luck官网app
关于开展节能环保技术/产品申报
18luck官网app批准发布《挥发性
相关新闻
关于开展 2025年度18luck官网app
map